137-2816-3376

4产品中心
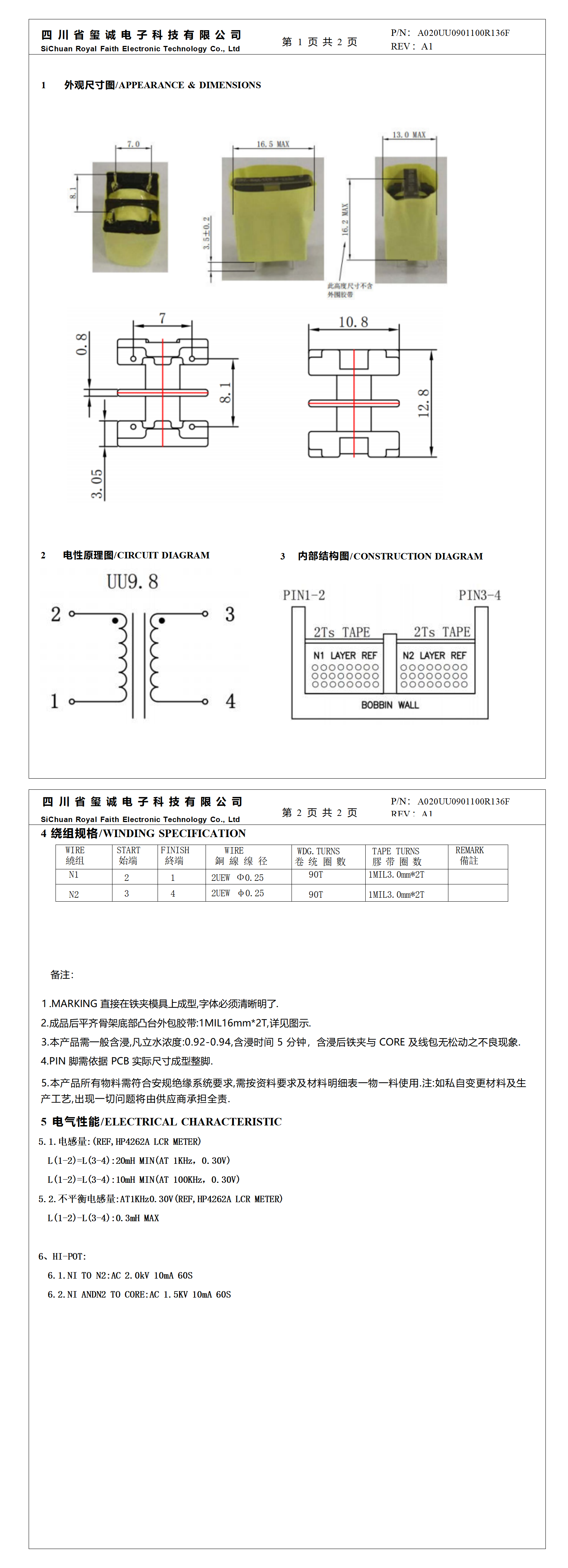
您的位置: 首页 ->  产品中心  -> UU9.8系列  -> A020UU0901100R136F
A020UU0901100R136F

A020UU0901100R136F

 详情说明