137-2816-3376

4产品中心
您的位置: 首页 ->  产品中心  -> PQ20系列  -> A010PQ20000009164F
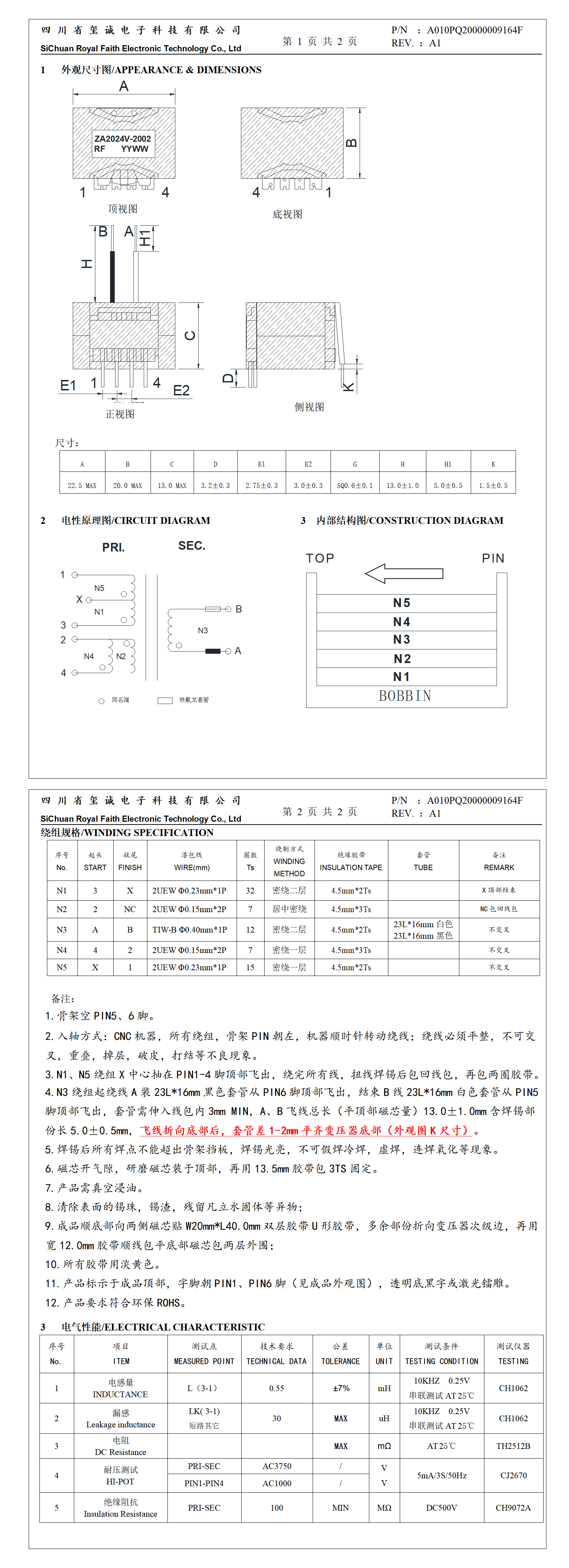
A010PQ20000009164F

A010PQ20000009164F

 详情说明