玺诚电子
XICHENG ELECTRONIC
137-2816-3376
首页
关于玺诚
公司简介
公司实力
企业团队
企业荣誉
专利证书
产品中心
应用案例
新闻资讯
公司动态
行业资讯
常见问题
联系我们
4
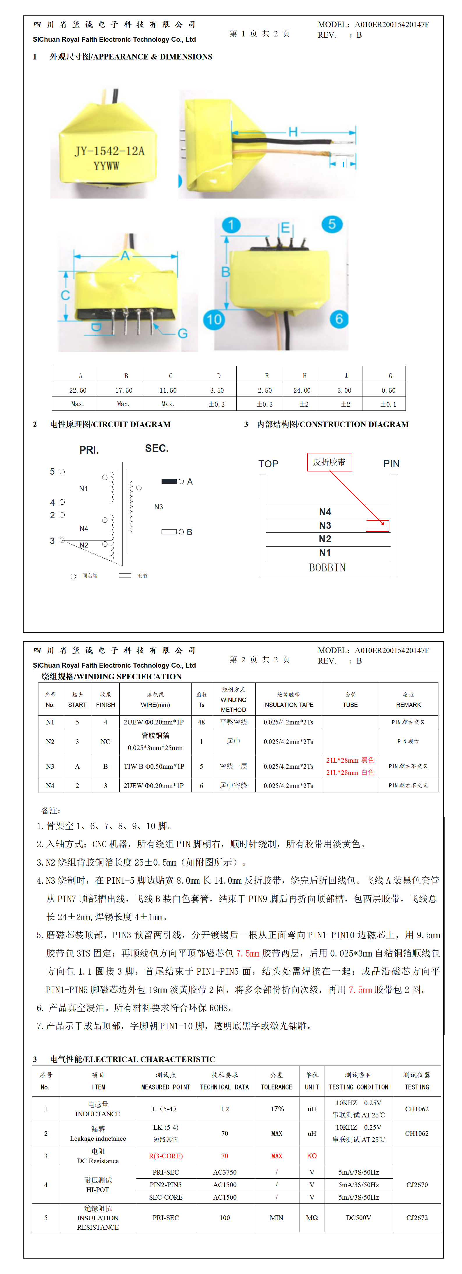
产品中心
您的位置:
首页
->
产品中心
->
ER20系列
->
A010ER20015420147F
所有分类
ATQ17系列
ATQ19系列
ATQ23系列
ATQ27系列
EE8.3系列
EE10系列
EE13系列
EE16系列
EE17系列
EE18系列
EE19系列
EE21系列
EE22系列
EE25系列
EE26系列
EE28系列
EF16系列
EF20系列
EF25系列
EFD20系列
EFD25系列
EFD28系列
EI18系列
EPC13系列
EPC17系列
EQ25系列
EQ31系列
EQ32系列
EQ34系列
ER20系列
POT33系列
PQ20系列
PQ23系列
PQ26系列
PQ32系列
RM7系列
RM8系列
RM10系列
UU9.8系列
UU10.5系列
磁棒电感系列
磁环电感系列
工字电感系列
互感器系列
色环电感系列
贴片电感系列
[查看原图片]
[返回]
[上一个:A010ER20015400147F]
[下一个:A010EQ3408670A111F]
A010ER20015420147F
详情说明