137-2816-3376

4产品中心
您的位置: 首页 ->  产品中心  -> EE19系列  -> A010EE19000001031F
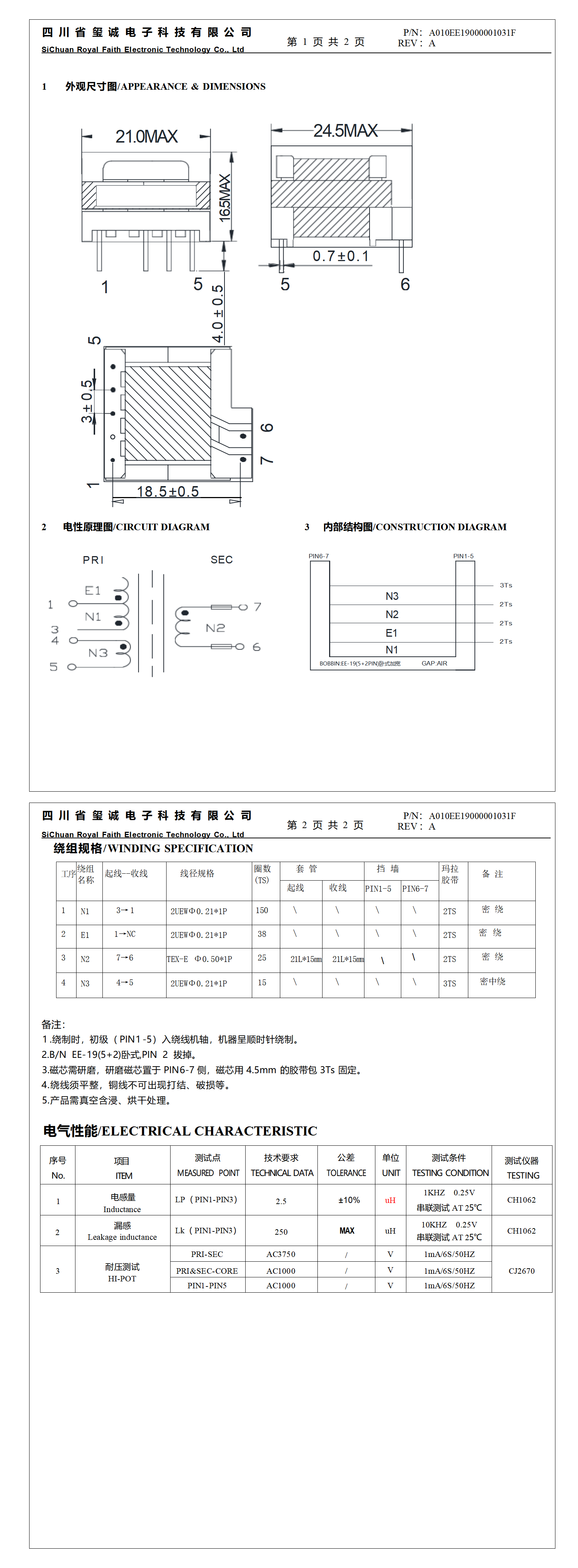
A010EE19000001031F

A010EE19000001031F

 详情说明