137-2816-3376

4产品中心
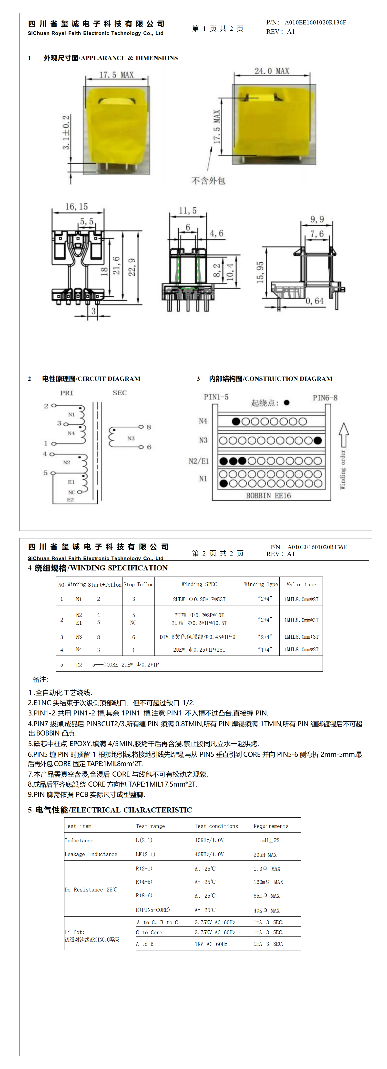
您的位置: 首页 ->  产品中心  -> EE16系列  -> A010EE1601020R136F
A010EE1601020R136F

A010EE1601020R136F

 详情说明