137-2816-3376

4产品中心
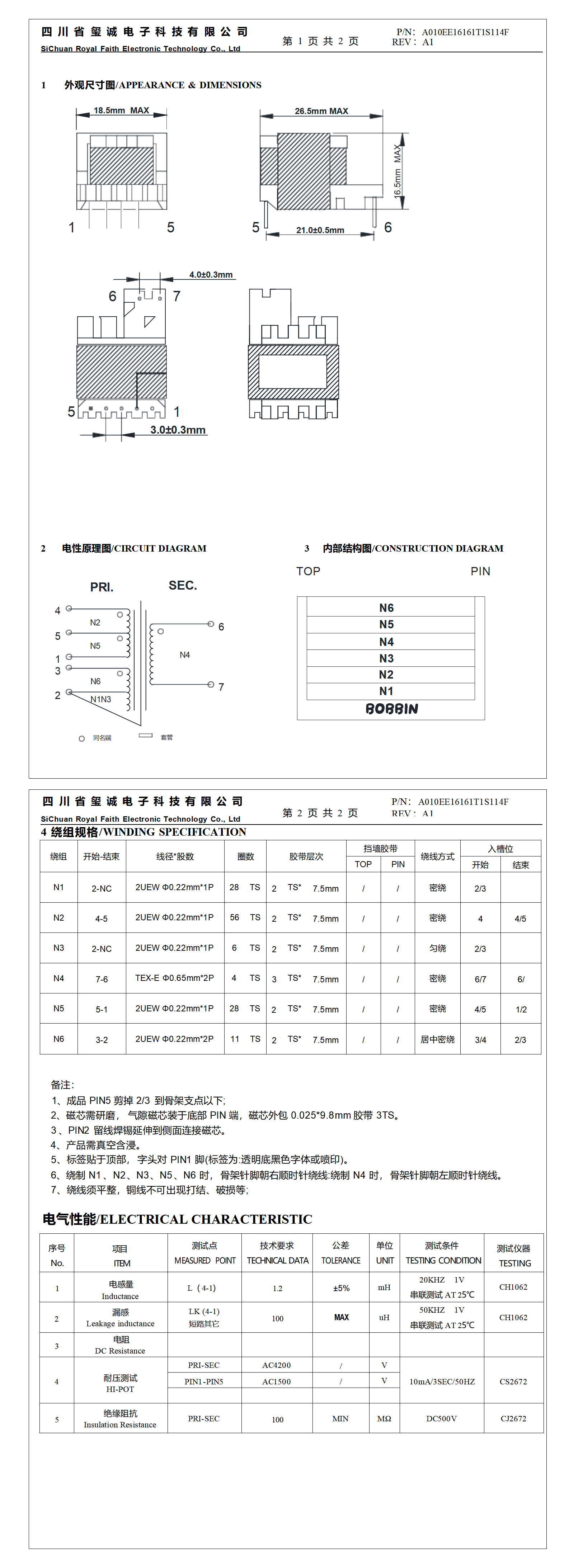
您的位置: 首页 ->  产品中心  -> EE16系列  -> A010EE16161T1S114F
A010EE16161T1S114F

A010EE16161T1S114F

 详情说明