137-2816-3376

4产品中心
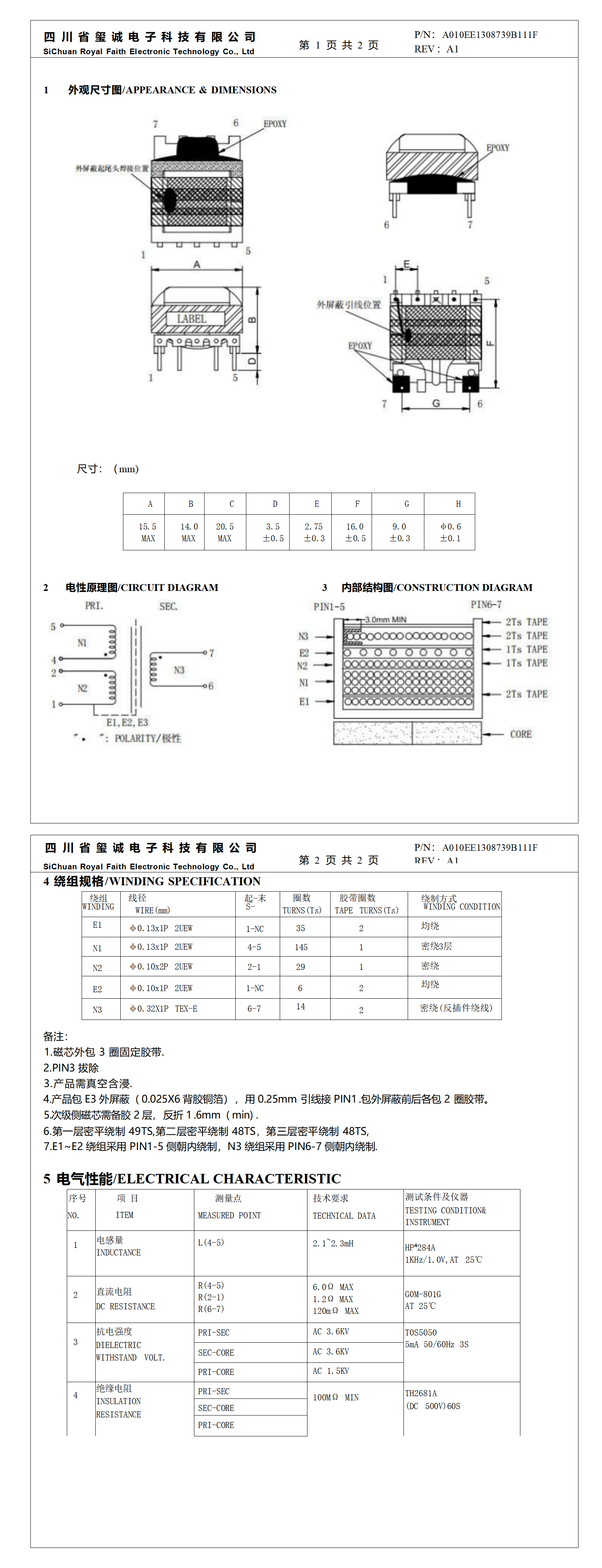
您的位置: 首页 ->  产品中心  -> EE13系列  -> A010EE1308739B111F
A010EE1308739B111F

A010EE1308739B111F

 详情说明