137-2816-3376

4产品中心
您的位置: 首页 ->  产品中心  -> EE13系列  -> A010EE13330G50114F
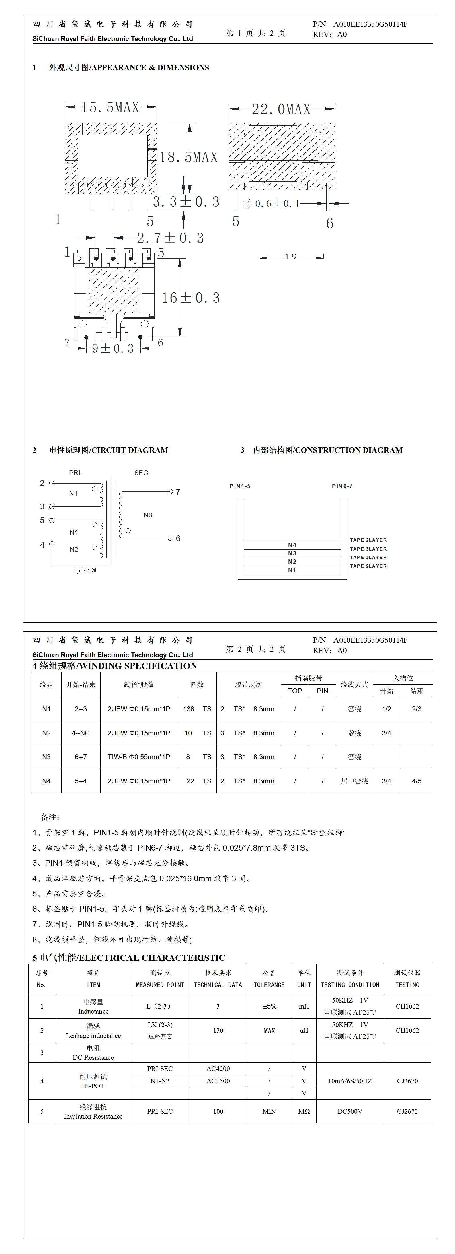
A010EE13330G50114F

A010EE13330G50114F

 详情说明