玺诚电子
XICHENG ELECTRONIC
137-2816-3376
首页
关于玺诚
公司简介
公司实力
企业团队
企业荣誉
专利证书
产品中心
高频/电源变压器
滤波器
电感器
磁环
应用案例
新闻资讯
公司动态
行业资讯
常见问题
联系我们
4
产品中心
您的位置:
首页
->
产品中心
->
高频变压器
->
EQ25
所有分类
高频变压器
滤波器
电感器
贴片变压器
磁环
磁珠
共模电感
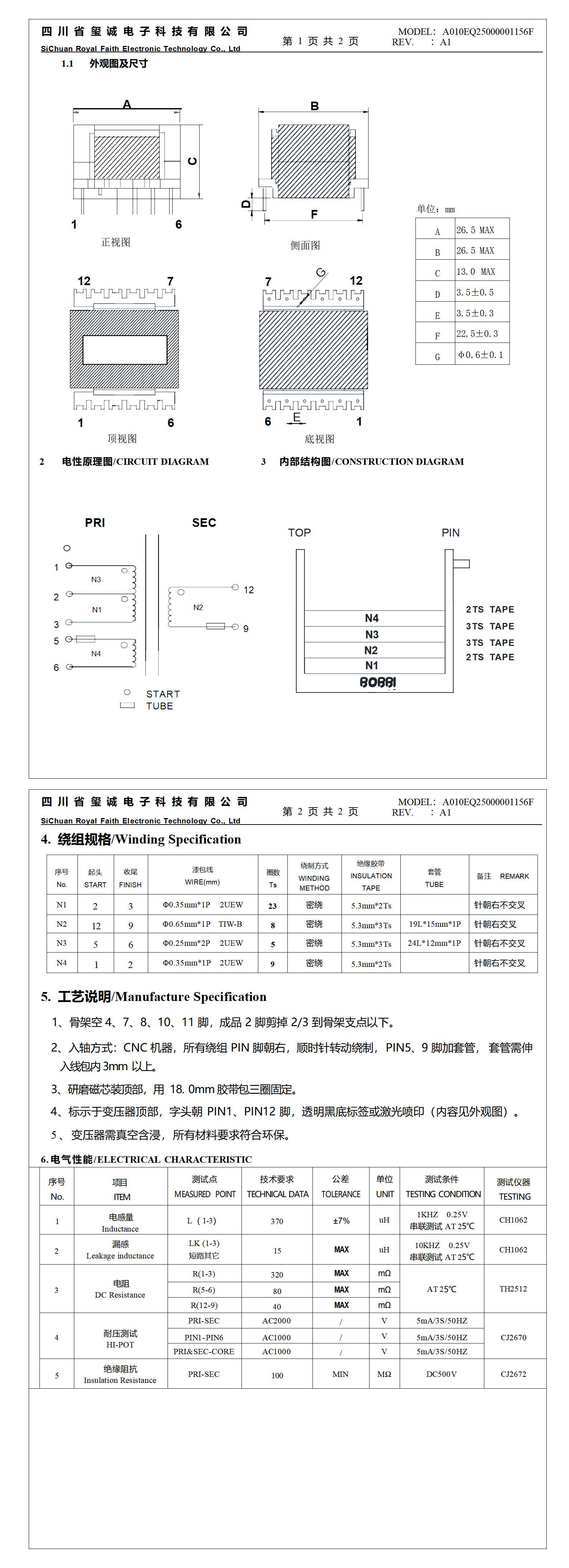
[查看原图片]
[返回]
[上一个:EPC17]
[下一个:EQ31]
EQ25