玺诚电子
XICHENG ELECTRONIC
137-2816-3376
首页
关于玺诚
公司简介
公司实力
企业团队
企业荣誉
专利证书
产品中心
高频/电源变压器
滤波器
电感器
磁环
应用案例
新闻资讯
公司动态
行业资讯
常见问题
联系我们
4
产品中心
您的位置:
首页
->
产品中心
->
滤波器
->
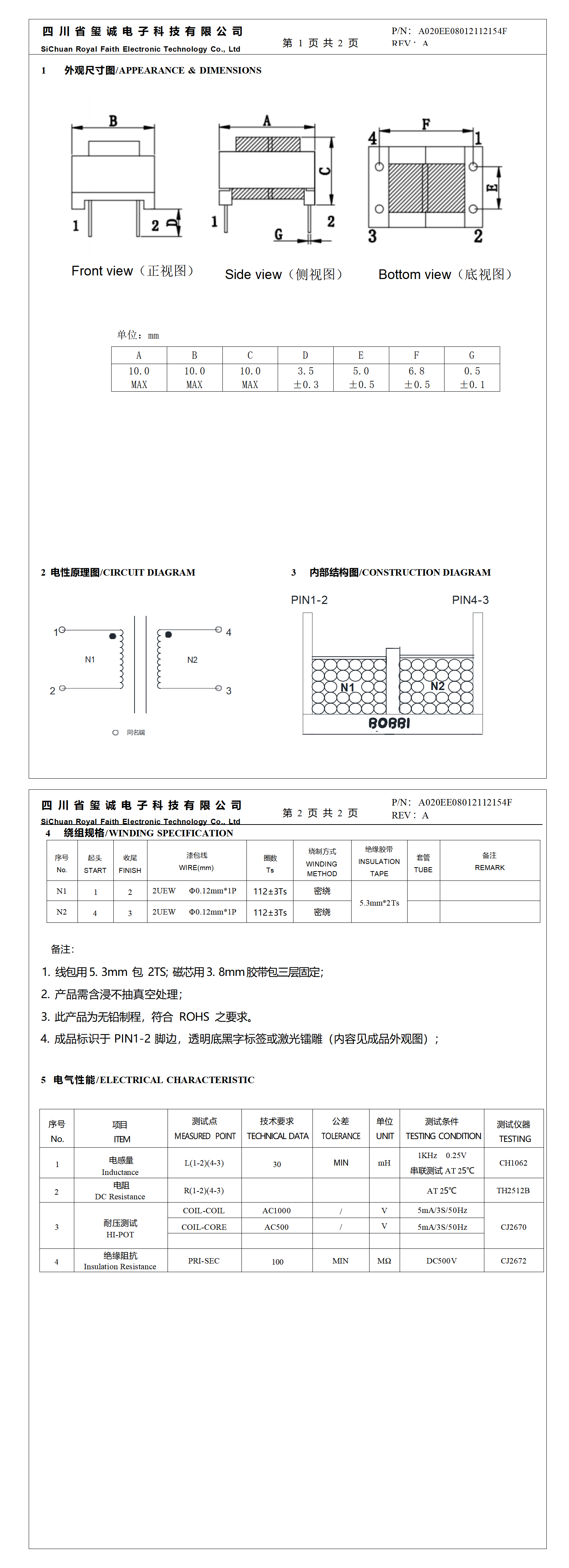
EE8.3
所有分类
高频变压器
滤波器
电感器
贴片变压器
磁环
磁珠
共模电感
[查看原图片]
[返回]
[上一个:EE16卧式高频变压器]
[下一个:UU10.5]
EE8.3